您現在的位置:首 頁 > 產品展示 > 信號滑環 > HRSM伺服編碼器系列
- 定制滑環
HRL大尺寸滑環HRCZ特殊定制滑環HRHT高溫滑環HRMD微型滑環HRHV高壓滑環HRM多通路滑環HRI系列大電流滑環
- 過孔式滑環
- 高速滑環
- 信號滑環
- 防水滑環
- 光纖 光電滑環
HRFO單通道標準系列HRFO多通道標準系列HRFO深水型光纖滑環HRFO高速型光纖滑環HRFOSR022系列光電組合滑環HRFOSR056系列光電組合滑環HRFOSR086系列光電組合滑環
- 氣電液滑環
- 風電滑環
- 盤式滑環
- 水銀滑環
- 非接觸式滑環
常見問題+ MORE
- 怎樣確定滑環的工作電壓
- 每個滑環都有其額定工作電壓,通常滑環的電壓有高壓和低壓之分,600V以上的算高壓,最高壓可...
- 光纖滑環有什么安裝方法?
- 光纖滑環有什么安裝方法? 光纖旋轉接頭又稱光纖滑環、光電匯流環。光纖作為數據傳輸...
- 導電滑環的有哪些特點?
- 導電滑環的有哪些特點? 1.絕緣性能包括環路之間的絕緣,導線之間的絕緣,導電滑環和...
- 導電滑環可以用在掃地機里面嗎?
- 導電滑環可以用在掃地機里面嗎? 如今,許多購物中心和大型工廠為了減少人工清潔和勞...
- 導電環如何保養和維護?
- 導電環如何保養和維護? 作為現代工業中不可或缺的組成部分,導電環具有廣泛的應用,其重...
- 發電機集電環發生火災事故的原因是什么?
- 發電機集電環發生火災事故的原因是什么? 導致發電機集電環發生火災事故的因素有: ...
- 集電環出現縫隙怎么辦?
- 集電環出現縫隙怎么辦? 可以說現在有很多精密零件和配件可以直接用于各個行業。與此...
- 集電環的種類有哪些?
- 集電環的種類有哪些? 同樣是一個集電環,但也有很多不同之處,正因為如此,不僅會使它在...
- 集電環怎么拆卸?
- 集電環怎么拆卸? 1.收集環拆卸工具:13mm扳手和13mm棘輪扳手,10mm套筒扳手,8mm六...
- 大電流集電環是什么?
- 大電流集電環是什么? 大電流集電環是大型設備中不可缺少的部分。由于它具有良好的導...
- 非標導電滑環在使用中會遇到什么問題?
- 非標導電滑環在使用中會遇到什么問題? 1.信號導電滑環的干擾太大 導電滑環可用于...
- 旋轉接頭有什么作用?
- 事實上,氣管旋轉接頭在機械設備中的作用是非常重要的,正因為如此,所以很多消費者對這...
- 導電滑環的大小及結構
- 導電滑環產品體積雖小,但是其結構、工藝也相對復雜。購買前多了解一些產品知識,是非常...
- 雷達滑環
- 雷達滑環一般都讓人聯想到高頻旋轉連接器,這種滑環由于被用于特殊的雷達系統從而要求有極長...
- 什么是盤式滑環?
- 盤式導電滑環是專門針對在高度方向有限制的旋轉系統,它是一類特殊的導電滑環。盤式滑環的轉...
- 你們滑環能傳輸電壓的范圍?
- 我們普通滑環能傳輸的電壓可以是微電壓也可以是強電壓,從毫伏到10000伏之間可選,其中包括微...
- 選擇滑環時需提供哪些重要的技術參數?
- 1)工作環境:應用領域、溫度、濕度、防護等級、工作轉速、工作頻率 2)功率環路:額定電壓...
- 我們能做到哪些特殊滑環?
- 我們能做到以下特殊滑環: 1)工作溫度:低溫60℃或高溫800℃; 2)防護等級:IP67,IP6...
- 鴻瑞銘導電滑環能傳輸哪些類型的信號?
- 鴻瑞銘導電滑環能傳輸以下類型的信號: 1)各類低頻信號,如:音頻信號、模擬視頻信號、普...
- 鴻瑞銘滑環與其他同行產品有何不同?
- 我們的產品有專業的品質人員嚴格把關,同時我們擁有完整的、優秀的供應鏈,包括國內外相關軍...
HRSM伺服編碼器系列

|
電氣性能 Electrical Spec. |
|
|
額定電壓 Rating voltage |
380VAC |
|
額定電流 Rating current |
編碼器信號或5A/路,10A/路 Signal or 5A /Ring,10A /Ring |
|
絕緣電阻Insulation resistance |
1000MΩ@500VDC |
|
耐壓 Dielectric strength |
600VDC@50HZ |
|
電氣噪音 Electrical noise |
10mΩ@6VDC,50mA,5Rpm |
|
機械性能 Mechanical Spec |
|
|
轉速 Speed |
0-2000Rpm |
|
扭矩 Torque |
60N.cm |
|
防護等級 Seal class |
IP54--IP68 |
|
接觸材料 Contact material |
貴金屬 Precious Metal |
|
導線規格 Lead Wire |
12色1.0mm² Teflon高溫線 |
|
環境性能 Environment |
|
|
工作溫度 Working temperature |
-40℃~+80℃ |
|
環境濕度 Humidity |
10% to 90% RH |
|
環保認證 Materials |
Lead Free,RoHS compliant |
|
CE Certified |
YES |

|
安裝導電環 Slip ring installation |
|
|
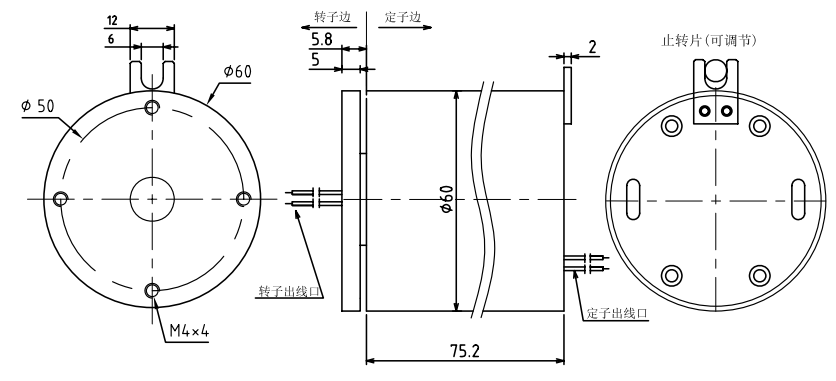
如圖所示:將導電環裝在傳動軸需要的位置,用轉子上四個 |
|
|
緊定螺絲固定。定子部分通過止轉片與設備固定部位連接。 |
|
|
As shown on the right picture,position the slip ring in the |
|
|
desired location and tighten it to the shaft by four set screws. |
|
|
Anti-Rotation tap is used for connecting the stator of slip |
|
|
ring with the stationary member of euipment. |
|
|
注意事項 CAUTION: |
|
|
|
|
|
滑環兩頭強行緊固安裝,否則可能導致過早損傷滑環。 |
|
|
If possible geometric mismatching between the customer's |
|
|
application and the slip ring,'hard mouting'of both ends of the slip ring is not recommended and may cause premature failure. |
|
|
|
|
|
Route the wiring and make the neccessary connections.Do not allow the wiring to restrict free rotation of the slip ring. |
|
|
◆ 導線長度 |
|
◆ 可選法蘭安裝 |
|
◆ 可指定出線方式 |
|
◆ 最大可支持:1-56路 |
|
◆ 防護等級:IP65,IP68 可選 |
|
◆ 可選航空接頭 |
|
◆ 屏蔽電纜 |
|
◆ 傳輸頻率可達500MHz |
|
◆ 可混合高速率數據傳輸(以太網傳輸,USB,Profibus) |
|
◆ 熱電偶信號混合 |
|
◆ 氣壓/液壓 混合 |
|
◆ 信號,同軸電纜,功率線混合 |
|
◆ 高壓、大電流定制(1000A,1萬伏) |
|
◆ 軍工級別 |


因為滑環和客戶具體應用之間可能存在機械誤差,不推薦在